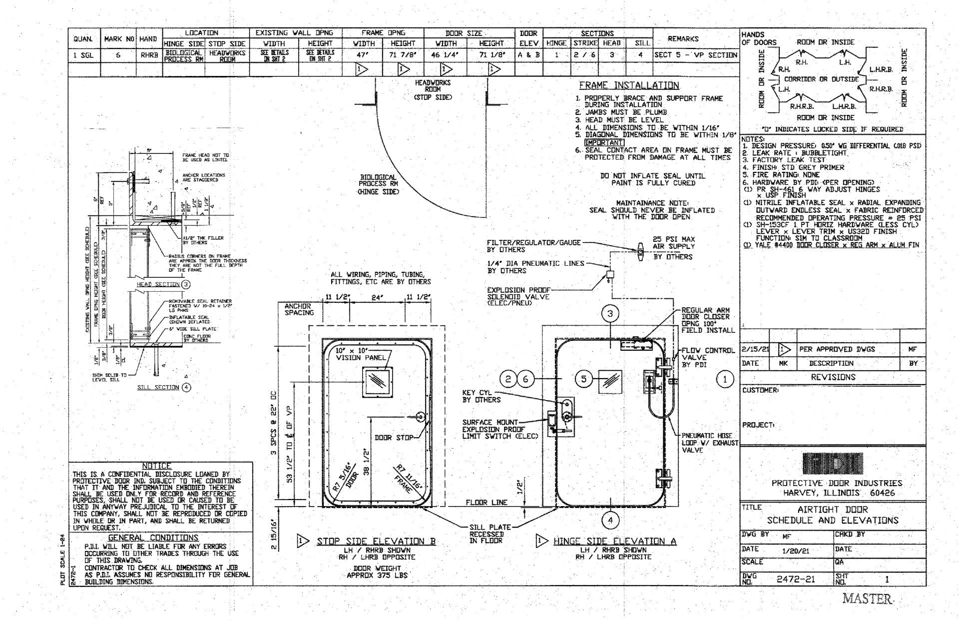
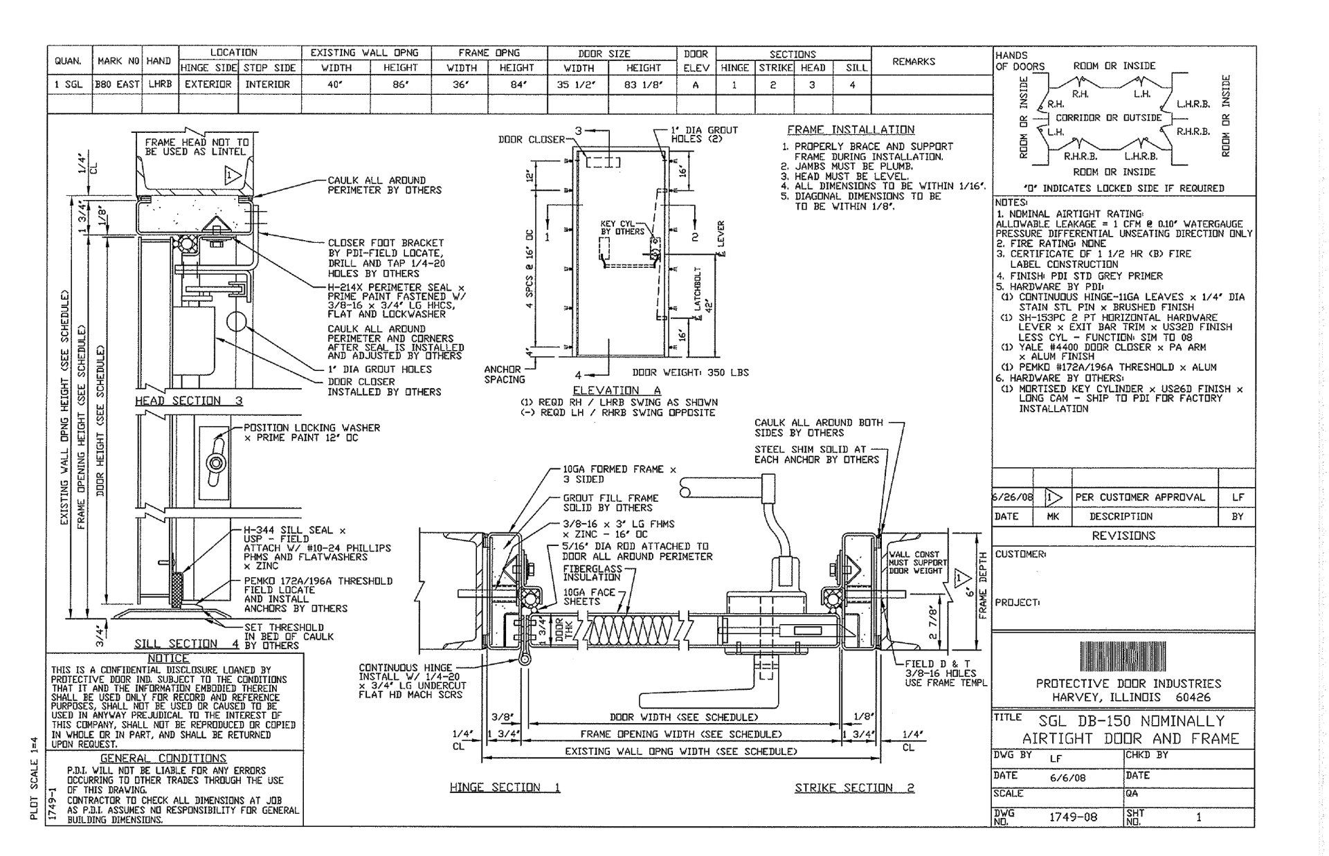
Airtight / Gastight Door Overview
Protective Door Industries’ (PDI’s) door assemblies are engineered to assure effective sealing and reliable operation under conditions requiring containment for low or high pressure environments, whether gaseous or liquid, or other biological agents. Exclusive Sonicbar sealing devices, precision hardware and door control systems assure minimal leakage against high pressure levels or control fumes, contamination, air pollution and dirt infiltration under ambient or low pressure differential conditions. Doors can be leak tested under ASTM Standard E-283 for 100% airtight or a specified leakage rate.
There are many variables designing a door system that meets nominally airtight to 100% airtight conditions. A standard specification many not cover all of a project’s unique requirements. The drawings below are only samples of a few of the airtight doors
PDI has engineered over the years. The pressure load and air leakage rate will determine if pneumatic seals are necessary or one of
PDI’s heavy-duty gasketing arrangements will suffice. An assembly may require a.step-over sill. To determine the appropriate design, please complete the questionnaire and forward to
PDI’s technical department
sales@protectivedoor.com.



